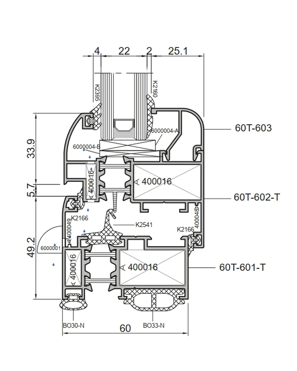
HT60
برند: ABESCON
نام محصول:
سیستم لولایی ترمال بریک
مزایا:
برند: ABESCON
نام محصول:
سیستم لولایی ترمال بریک
مزایا: